
1.8° 28系列二相/四相混合式步進電機的技術參數General Specification
項目Item | 規格Specifications |
步距角精度Step Angle Accuracy | ± 5% (full step, no load) |
電阻精度Resistance Accuracy | ± 10% |
電感精度Inductance Accuracy | ± 20% |
溫升Temperature Rise | 80°C Max. (rated current, 2 phase on) |
環境溫度Ambient Temperature | - 10°C ~ +50°C |
絕緣等級Insulation Class | B |
介電強度Dielectric Strength | 500 VAC for one minute |
型號 Model No. | 電壓 Rated Voltage | 電流 Current | 電阻 Resistance | 電感 Inductance | 最大靜力矩Holding Torque | 引出線 # of Leads | 轉動慣量Rotor Inertia | 重量Weight | 機身長度Length |
V | A | W | mH | Kg-cm | g-cm2 | Kg | mm | ||
28BYG001 | 3.0 | 1.0 | 3 | 2.2 | 0.95 | 4 | 11 | 0.13 | 40 |
28BYG201 | 4.5 | 0.9 | 5.0 | 1.8 | 0.9 | 6 | 18 | 0.2 | 51 |
28BYG301 | 3.75 | 0.67 | 5.6 | 4.0 | 0.7 | 4 | 9 | 0.11 | 32 |
28BYG501 | 4.56 | 0.67 | 6.8 | 4.8 | 1.06 | 4 | 12 | 0.15 | 45 |
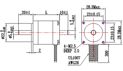
1.8° 28系列二相/四相混合式步進電機的機械尺寸Dimensions(Unit=mm)

1.8° 28系列二相/四相混合式步進電機的繞線圖Wiring Diagram



立即咨詢